digital Antic VOL. 4, NO. 8 / DECEMBER 1985 / PAGE 69

assembly language

BUILD YOUR OWN EPROM BURNER

Chip programming for $30

by LARRY WOODGEARD and CHARLES CHERRY



With a little over $30 dollars in parts, some careful wiring, and this assembly language program, you can build your own EPROM burner. The project requires an intermediate knowledge of circuit-building and an intermediate to advanced knowledge of machine language. Besides the parts listed in the article, you will need the Atari Assembler Editor or MAC/65, and some form of debugger.


The following article assumes a sophisticated knowledge of hardware and assembly language. We have taken every step to ensure that the information contained herein is correct, but Antic cannot take responsibility for, nor give assistance on, readers' hardware projects. -ANTIC ED.

EPROG
by Larry Woodgeard

EPROG (EPROM Programmer) is designed to read or program three popular types of EPROMs: 2716, 2732, and 2764. It consists of an assembly language program and hardware circuitry, and it works out of joystick ports 1 and 2.
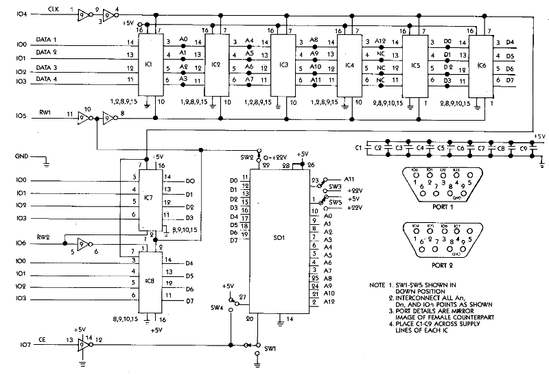
   The majority of the EPROG circuitry (see Figure 1) consists of IC1 thru IC8 which are 4-bit tri-state D-latches. Port 1 does data transfer 4 bits at a time. The 4 bits of Port 2 are used as control signals. IC9 is used as a buffer and signal inverter. The five mode switches SW1 thru SW5 are used to select programming requirements for the three different devices. We also need a power supply to provide +5 volts and + 22 volts.



WHAT'S AN EPROM?
EPROM stands for Erasable Program-able Read Only Memory. Just like the ROM (Read Only Memory) chips in Atari cartridges, an EPROM does not lose its data when the power is turned off. Unlike ROM chips, EPROMS can not only be programmed, they can be erased and reprogrammed.
   Putting a program on an EPROM is sometimes called "burning." And the hardware that does the job is referred to as an "EPROM burner" The following article will examine how to build an EPROM burner-called EPROG-and how to transfer machine code to the EPROM chip.
   The great thing about EPROMs is you can program them to make customized operating systems or cartridges-and load instantly when you boot your Atari. As already explained, EPROMs can be erased and re-used. You erase the EPROM by exposing the little window on top of the chip to Ultra-Violet light for about 20 minutes.


MODES OF OPERATION
There are two modes of operation: Read and Program. The Read mode allows you to read the EPROM into an assigned memory location in the computer. The Program mode lets you write data into the EPROM from a selected memory location.
   To perform a Read, the ports are first set to an output mode. Then the EPROM must be given the address, enabled, and the data is read into the port. Each address is broken down into 4 nybbles. The highest nybble of the address is presented to port 1 and ICl. Then a clock pulse is applied to all the registers shifting the nybble through IC1 The next highest nybble is then shifted through the same way. Four of these shifts result in the complete address in IC1 thru 1C4.
   Now, the 4 bits of Port 1 are changed to input mode. A high is applied to RW1 which serves to disable IC1 thru IC6, enable IC7, and enable the EPROM. RW2 determines which nybble of the data is presented to Port 1. With RW2 low, the low nybble of the data is read into the computer. Taking RW2 high disables IC7 and enables IC8 allowing the high nybble to be input to the computer. This completes one cycle of the Read.
   In Program mode the actions are simpler. The program sets the ports to output mode. The switches are set according to which EPROM you're programming-to apply the necessary programming voltage and chip enable (Ce) to the proper pins.
   IC7 and IC8 are not used. IC5 and IC6 hold the low and high nybble of the data to be written to the EPROM in the same fashion as the address registers were used. The high data nybble is shifted in first, followed by the low data nybble, then the high nybble address and so on. Six shifts put the address and data in IC1 thru IC6 The programming pulse is then applied to Ce input. The data in IC5 and 1C6 is burned into the address in ICl through IC4.
   The programming pulse is 50ms long for the 2716 and 2732. This makes the total programming time several minutes. The 2764 uses 1ms programming pulses and is accomplished in about 30 seconds. A Read can be performed after the EPROM is programmed to verify the data is correct.
   Should you decide to rewrite the program, do not put the 4 bits of Port 1 in the output mode and make RW1 high under any circumstance, because this will be trying to input and output to Port 1 at the same time.

Figure 1

BUILDING AND USING EPROG

by Charles Cherry

When Antic received EPROG, we knew immediately we wanted to publish it. We were sure it functioned properly for its designer; Larry Woodgeard, but we wanted to make sure our readers could build and operate it. We asked Charles Cherry, whom we knew to have the technical background for this kind of project, to build the EPROG from scratch and describe his experience-and the pitfalls. -ANTIC ED.

The first thing you should notice about this project is that it plugs into the wall. This means dangerous voltages are present so it should be built and used with proper caution.
   The second thing to note is there are no buffers or isolators between the EPROG and your Atari. So when you get it assembled and are ready to test it for the first time, you might unplug your RAMdisk, 80-column card and other custom hardware. Chances are everything will work fine, but if you make a mistake you could damage the computer.
 

Fiqure 3

PARTS LIST
IC1-IC8.........................SN74LS173
IC9..............................MM74Cl4N
SW1-SW.............SPDT SWITCHES (275-625)
Cl-C9.........0.1 MF CAPACITORS (272-1069)

MISCELLANEOUS
8ea....16 PIN WIRE-WRAP SOCKETS (276-1998)
1ea....14 PIN WIRE-WRAP SOCKETS (276-1993)
1ea...............IC BREADBOARD (276-1394)
2ea..............JOYSTICK CORDS (276-1537)
1ea......................28 PIN ZIF SOCKET
etc.......................................

POWER SUPPLY PARTS LIST
T1........24VAC CT 450MA XFORMER (273-1366)
IC10...........317T IC REGULATOR (276-1778)
IC11...........7805 IC REGULATOR (276-1770)
C2...1500MF 16V CAPACITOR (use two 272-958)
C1,C3........220MF 35V CAPACITOR (272-1029)
D1-D4...............1N4001 DIODE (276-1101)
S1 ............SPST 25OVAC SWITCH (275-602)
F1.....................1AGX FUSE (270-1271)
R2.........240 OHM 1/4W RESISTOR (271-1313)
R1........3.6K OHM 1/4W RESISTOR (271-1328)
R3.....................1K OHM POT (271-218)

MISCELLANEOUS
2ea....................HEATSINKS (276-1366)
1ea....................LINE CORD (278-1255)
1ea...................FUSE HOLDER (270-362)
1ea......................SUITABLE ENCLOSURE
etc........................................

GETTING THE PARTS
The EPROG hardware can be built on a breadboard, but for greater permanence, I chose a perf board. All parts except the chips and the ZIF (Zero Insertion Force) socket are available from Radio Shack. (Radio Shack part numbers are in parentheses on the Parts List-See Figure 3.).
   The chips and socket can be obtained from most mail order companies (e.g. Jameco Electronics, 1355 Shoreway Road, Belmont, CA 94002). You can save a whole lot of money if you shop around for the parts. I was in a hurry so I spent about $60. You should be able to cut that in half.
   This was the first IC project I ever built without a printed circuit board. I hope you can learn from my mistakes. Since I had no wire-wrap experience or tools, I decided on point-to-point soldering using some 22-gauge wire I had in my kit. A big mistake. It can be done, but it ain't easy. When I got finished, the thing did not work.
   So I rebuilt it using wire wrap. It still did not work, but it was easier to check the wiring.
   After hours of brain numbing trouble-shooting, designer Larry Woodgeard, discovered that the slide switches I had scrounged were make-before-break types and they blew the chips during switching.
   Pitfalls 1 & 2: Use wire wrap, and be certain that you use break-before-make switches.

THE SCHEMATIC
Study the schematic (Figure 1) carefully before you lay out the board. Notice that the wires from joystick port 1 go to IC1 and the wires from joystick port 2 go to IC9. Look at the way IC9 (which is scattered around the schematic) is connected. Note that IC9 is a CMOS chip and must be handled with appropriate safeguards against static discharges.
   Install the sockets and switches, but do not install the chips until the circuit has been tested. If you're smarter than I was, you'll get some of those labels which slide onto the sockets and identify the pins. Lay in the + 5V and ground busses and connect them. Then install capacitors Cl-C9 as close as possible to the power supply pins on the ICs.
   Now, methodically connect all the pins, starting with IC 1-be sure to check and recheck each hookup. Notice that pin 8 on IC9 connects to pin 10 on IC1-IC4, but it connects to pin 1 on IC5 and IC6. Conversely, pin 1 on IC1-IC4 and pin 10 on IC5 and IC6 go to ground.
   Be very patient and don't try to do it all in one sitting. Use a low wattage iron (25 W or so), the smallest tip you can find, and your best technique. If you have trouble translating the diagram into real circuits, find someone who can read schematics to help you. It can be very difficult to troubleshoot an IC circuit, so take the time to get it right the first time.

WHERE THERE'S SMOKE...
When you have wired the EPROG, install the power supply (see Figure 2). Any supply which delivers + 5VDC @ 300 ma. and + 22VDC @ 100 ma. will do. The diagrammed one is simple and works. You will need a voltmeter to adjust the output by tweaking R3.
   When you get the proper voltages, connect the power supply to the EPROG circuitry. Then power up and let it run for a while. Flip all the switches to see if anything heats up or smokes.
   Everything okay? Turn off the power and double-check your wiring one more time. Now, flip all the switches down and install the chips. Again be careful with IC9-it's a CMOS, so be sure and ground yourself to avoid stray static. Put in an EPROM, turn the power on-without plugging into your computer-and check for hot ICs or smoke. Flip all the switches again. If it still seems okay, plug in the Atari and run the program. Good luck!

Figure 2

BURNING THE CHIP
The EPROG software is designed to program the EPROM from code in a fixed buffer and to read the EPROM back into the same buffer. Buffer location depends on the type of EPROM used. The buffer for the 2716 is $8800 to $8FFF, the 2732 buffer is $8000 to $8FFF, and the 2764 buffer is $7000 to $8FFF.
   EPROG must be used with a debugger or monitor, so after you've typed in, assembled, and created your object file, use your debugger to load EPROG and type "Go $6000".
   The program will prompt you for chip number, read or write, and switch configuration. Following the screen prompts, read the EPROM, then return to the debugger and display the EPROM buffer area. If the EPROM is unprogrammed (or erased) -the buffer will be all FFs. If the EPROM has not been erased, it cannot be programmed. Either replace it, or erase it with ultra-violet light, as mentioned previously.
   Load or relocate the code you want to burn onto the EPROM. When the code is in the proper buffer call EPROG again with "Go $6000" and program the chip.
   My debugger is BUG/65, from Optimized Systems Software, and I had to make one modification. The EPROG program cycle ends with a BRK instruction. Most debuggers regain control at this point, but not BUG/65. Instead I changed the final instruction to RTS and used "U 6000" (user) to call EPROG.

MAKING CARTRIDGES
When venturing forth into new territories it is always wise to get an expert guide. So I went over to American TV (15338 Inverness Street, San Leandro, CA 94577) for advice about making cartridges. The Atari 16K cartridge uses ROM chips which are compatible with the 2764. All you have to do is plug your EPROMs into the sockets.
   However the 8K Atari cartridges were designed for 2532 compatible ROMs, which EPROG cannot program. Luckily, there are modification boards for these cartridges which allow you to use 2732s. American TV has all of these cartridges, boards, kits and instructions available.
   If you want to delve into the mysteries of operating system modification, the people to contact are Newell Industries (3340 Nothingham Lane, Plano, TX 75074). They make the RAMrod board which will take 2732 EPROMs on the Atari 800 and 400. However the XL/XE RAMrod board uses 27128s. If you have an XL/XE you will have to fabricate your own EPROM board.
   This is an exciting and challenging project. If you are experienced with digital circuits or can find someone to assist you, give it a try.

Listing 1   EPROG.M65
On Antic Disk   EPROG.OBJ