__ _                _                                  _
    / _| |              (_)                                | |
   | |_| |_ _ __   _ __  _  __ ___      ____ _   _ __   ___| |_
   |  _| __| '_ \ | '_ \| |/ _` \ \ /\ / / _` | | '_ \ / _ \ __|
   | | | |_| |_) || |_) | | (_| |\ V  V / (_| |_| | | |  __/ |_
   |_|  \__| .__(_) .__/|_|\__, | \_/\_/ \__,_(_)_| |_|\___|\__|
           | |    | |       __/ |
           |_|    |_|      |___/          respect.for.the.legend
					   
 Welcome to the Atari FTP Archive! We're glad to see you enjoy the best
 computer ever. We are striving to archive as much atari/8bit/demoscene
 related material as possible and we're doing it since 2002 (previously
 known as ftp.atari.art.pl).
 The archive is around 886GB in 941689 files at the moment (2022-04-15).

 Please read welcome.msg for more details.
[ICO]NameLast modifiedSizeDescription

[PARENTDIR]Parent Directory  -  
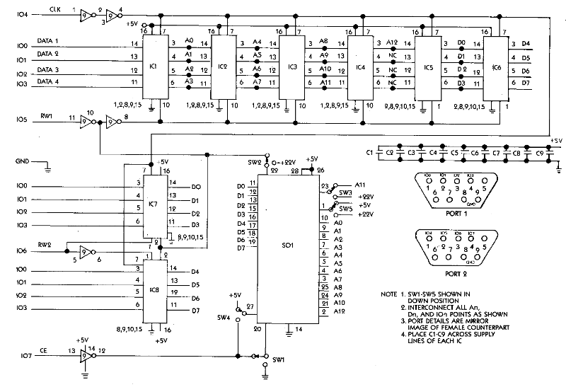
[DIR]Build Your Own EPROM Burner_files/2025-02-13 21:00 -  
[TXT]Build Your Own EPROM Burner.htm2000-01-02 19:20 16K 
[   ]EPROG.M652000-01-02 19:20 7.0K 
[   ]EPROG.OBJ2000-01-02 19:21 876  
[   ]Thumbs.db2010-03-21 01:25 5.0K 
[IMG]burner1.gif2009-01-25 02:01 45K 
[IMG]burner2.gif2009-01-25 02:01 28K 
[IMG]dapicon.gif2000-01-02 19:10 1.0K 

Support us on patreon or patronite or paypal.me
Hosted on supra.link