__ _                _                                  _
    / _| |              (_)                                | |
   | |_| |_ _ __   _ __  _  __ ___      ____ _   _ __   ___| |_
   |  _| __| '_ \ | '_ \| |/ _` \ \ /\ / / _` | | '_ \ / _ \ __|
   | | | |_| |_) || |_) | | (_| |\ V  V / (_| |_| | | |  __/ |_
   |_|  \__| .__(_) .__/|_|\__, | \_/\_/ \__,_(_)_| |_|\___|\__|
           | |    | |       __/ |
           |_|    |_|      |___/          respect.for.the.legend
					   
 Welcome to the Atari FTP Archive! We're glad to see you enjoy the best
 computer ever. We are striving to archive as much atari/8bit/demoscene
 related material as possible and we're doing it since 2002 (previously
 known as ftp.atari.art.pl).
 The archive is around 886GB in 941689 files at the moment (2022-04-15).

 Please read welcome.msg for more details.
[ICO]NameLast modifiedSizeDescription

[PARENTDIR]Parent Directory  -  
[DIR]ATARIMIDI/2025-02-13 21:00 -  
[DIR]Midi Player/2025-02-13 21:00 -  
[DIR]Midi_files/2025-02-13 21:00 -  
[   ]MIDI.ASM1998-11-07 01:15 12K 
[   ]MIDI.BAS1998-11-07 01:15 5.3K 
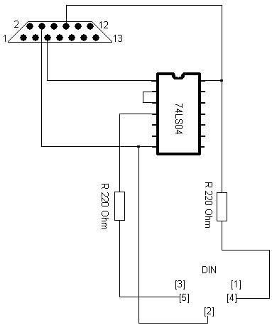
[IMG]MIDICOMP.GIF2009-01-25 02:01 3.2K 
[TXT]MIDIHW.TXT1998-11-07 01:15 3.3K 
[   ]MIDIMSTR.ATR2009-01-25 02:01 90K 
[   ]MIDIMUSY.ATR2009-01-25 02:01 90K 
[IMG]MIDIPCB.GIF1995-06-17 14:55 1.9K 
[   ]MIDISEQU.ATR2009-01-25 02:01 130K 
[IMG]Midi - rysunek.jpg1999-08-27 14:23 146K 
[IMG]Midi - schemat.jpg1999-08-27 14:25 225K 
[TXT]Midi.htm2000-09-08 13:52 2.4K 
[   ]SIO2MIDI.ARC1996-02-05 23:17 12K 
[   ]Thumbs.db2010-03-21 01:25 7.5K 
[IMG]ZLACZE.GIF1995-06-11 22:13 2.1K 
[IMG]midi.gif2000-03-30 12:09 3.5K 
[   ]mididemo.zip2000-08-03 20:23 4.6K 
[IMG]midipl1.gif2009-01-25 02:01 14K 
[   ]midipl13.zip2000-08-03 20:23 4.2K 
[IMG]midipl2.gif2000-08-03 20:25 10K 
[   ]midirec.zip2009-01-25 02:01 169K 
[   ]midirecd.zip2000-03-30 12:10 25K 
[   ]rec2mid.zip2000-08-03 20:24 7.0K 
[   ]seq.zip2009-01-25 02:01 28K 

Support us on patreon or patronite or paypal.me
Hosted on supra.link