__ _                _                                  _
    / _| |              (_)                                | |
   | |_| |_ _ __   _ __  _  __ ___      ____ _   _ __   ___| |_
   |  _| __| '_ \ | '_ \| |/ _` \ \ /\ / / _` | | '_ \ / _ \ __|
   | | | |_| |_) || |_) | | (_| |\ V  V / (_| |_| | | |  __/ |_
   |_|  \__| .__(_) .__/|_|\__, | \_/\_/ \__,_(_)_| |_|\___|\__|
           | |    | |       __/ |
           |_|    |_|      |___/          respect.for.the.legend
					   
 Welcome to the Atari FTP Archive! We're glad to see you enjoy the best
 computer ever. We are striving to archive as much atari/8bit/demoscene
 related material as possible and we're doing it since 2002 (previously
 known as ftp.atari.art.pl).
 The archive is around 886GB in 941689 files at the moment (2022-04-15).

 Please read welcome.msg for more details.
[ICO]NameLast modifiedSizeDescription

[PARENTDIR]Parent Directory  -  
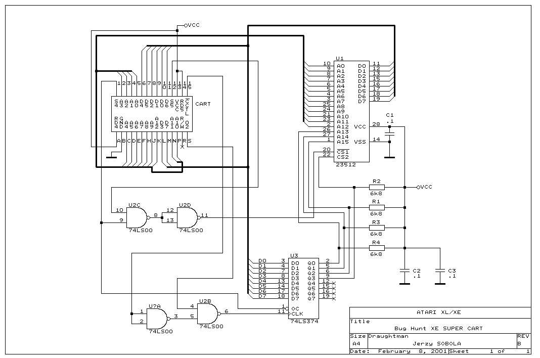
[IMG]SUPCART.PCX2001-02-08 17:56 43K 
[IMG]SuperCart.jpg2002-06-03 16:14 69K 
[IMG]XE SuperCart PCB 16K EEPROM.jpg2001-10-22 13:41 35K 
[IMG]XE SuperCart PCB 64K EEPROM.jpg2001-10-22 11:50 34K 
[IMG]XE SuperCart PCB Rev 1 - 64K EEPROM.jpg2001-11-11 17:09 70K 
[IMG]XE SuperCart PCB Rev 1 v2 - 64K EEPROM.jpg2002-04-10 13:26 33K 
[IMG]XE SuperCart PCB Rev 2 - 16K EEPROM.jpg2001-11-05 20:01 68K 
[IMG]XESUPERCART on EEPROM.jpg2001-10-22 13:29 198K 

Support us on patreon or patronite or paypal.me
Hosted on supra.link