|
Parts Placement(rev 20mar10): |
Top Template:

(1134 x 1770 at 300 dpi)
|
|
Label #1(default):
|
Label #2:
|
Label #3:
|
Label #4:
 |
ALL LABELS:(944 x 1586 at 300 dpi, resize before printing)
|
Label #5:
|
Label #6:
|
Label #7:

|
|
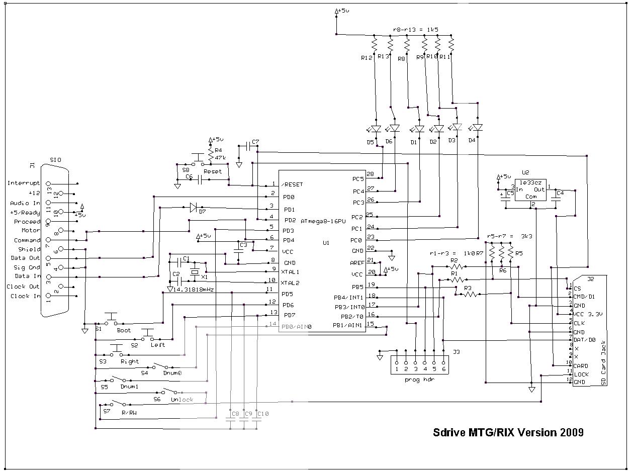
Schematic:
 |
PCB Pattern:(I use PNP Blue).
 (3116 x 1493 at 450 dpi) |
Etched:
 |
Etched/cut/drilled:
 |
Mount List:JPG:
 |
Mount List:GIF:
 |
|
|
Stretch mountlist to full Letter size, print, cut into 4 sheets.