Atari Radek Sterba, RASTER / C.P.U.
COMPUTER PLATFORM UNLIMITED
Welcome to world of
Atari XE/XL
8-bit computers Atari XE/XL.

http://raster.atari.org
Atari 800XE
Czech Czech

Hello foreigners...

Raster is member of C.P.U. group This is RASTER's Atari XE/XL small English page. Sorry, but all my other Atari pages are written mainly in Czech language. My English isn't so good, but you find some short-only documentation here anyhow. If you want to know more about next and other stuff, you must try to read in Czech, as well as I'm trying to write in English. ;-)
Members of C.P.U. group: Raster, JirkaS, Bob!k, HonzaW


RASTER MUSIC TRACKER (RMT) - cross-plaftorm music tracker for PC
SA LIBRARIES - standalone dynamic dll libraries for PC
MULTIJOY8 - interface for Atari
ATADIM - tool for PC
DRATEX - tool for PC
LPTJOY/ATAJOY DRIVER - interface and sw driver for PC
S/XEGS RAMCART 128KB by C.P.U. - Atari cartridge
CREAXIN1 - PC tool for S/XEGS RAMCART 128KB by C.P.U.
STEREO - stereo hw upgrade by C.P.U.
SDrive - SIO device that simulates an Atari floppy disk drive and uses SecureDigital flash cards (SD)


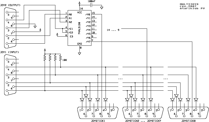
MULTIJOY8

This easy multiplayer interface allows connect up to 8 joysticks to one Atari XE/XL computer via both joystick ports. (MultiJoy16 up to 16 joysticks.)
Scheme: see the picture (MultiJoy8 rev.2007) , some games for MultiJoy: here.

Program control:

;Initialization
    lda #$0
    sta $d302	;PACTL
    lda #$f0	;4HIGHERBITS=OUT,4LOWERBITS=IN
    sta $d300	;PORTA
    lda #$3c
    sta $d302	;PACTL
2005/10: Important - Please, there is highly recommended to proceed delay 30 cycles at least between write to PORTA register and following reading of PORTA (or TRIG0).

;Selection of the active joystick
    lda #N     ;N=joystick's number: 0 to 7 (or 0 to 15 for MultiJoy16)
    asl @
    asl @
    asl @
    asl @
    sta $d300  ;PORTA
    ldx #$06   ;Here is a delay 30 cycles before reading of PORTA
WAI dex
    bne WAI
    lda $d300  ;PORTA
    and #$0f
    ;Now state of the selected joystick (STICK) is in A register

    lda $d010  ;TRIG0
    ;Now state of the selected joystick fire button (TRIG) is in A register

    lda #$ff
    sta $d300  ;PORTA initialization

    ;...Player N action...

ATADIM

ATADIM is small PC (Win9x) tool for easy work with Atari disk image files XFD and ATR. It supports standard single/medium/double XFD format and all types/sizes of ATR format (also megaimages). Main features: directory listing, rename, delete, make directory, import, export.
Screenshots and download: here


DRATEX

DRATEX is small PC (Win9x) tool - converter from among character set layouts. It support most used Czech layouts Windows1250, ISO8859-2, Kamenicky, standard ASCII, Atari Czech layouts Capek, Tcheko and standard ATASCII.
Tip: If you need some Czech document without special Czech characters (diacritic mark), you can convert it from Windows1250 to ASCII.
Screenshot and download: here , screenshots of Atari Czech charset layouts: here


LPTJOY/ATAJOY DRIVER

LPTJOY is easy reduction cable that allows connect standard Atari (digital) joystick to PC parallel (printer) port and use it as standard PC joystick (after installation of AtaJoy driver software).
Tip: You can play your old favorite Atari games in Atari emulator with your real Atari joystick. Enjoy it! :-)
Scheme, screenshot and driver download: here


You can find more on my RASTER's Czech Atari pages (in Czech language only).


RASTER homepage Vyrobil Radek Sterba, © RASTER