MIDI

Tak, tak. Mała Atarynka portafi także obsługiwać keyborda i powiem szczerze, że idzie jej to całkiem nie źle (słyszałem w Ornecie).

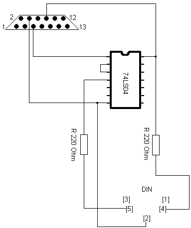
Schemat MIDI No i mamy komplet (sterownik i oprogramowanie). Jak widać sterownik jest banalnie prosty i nawet gość z lewymi rękami potrafiłby go zmontować. Dopełnieniem do tego schematu jest bardzo ładnie wykonany program muzyczny, który go obsługuje o nazwie MIDI SEQUENCER 1.15 autorstwa Macieja Sygita

A oto kilka linków odnośnie MIDI na "małe" Atari:

ATARI 8-bit - RASTER
ATARI XL/XE and MIDI

A tu trochę softu:
Mididemo - jest to wersja demo programu do odtwarzania plików w formacie MIDI, MIDI-RECORDER - wersja demo programu do nagrywania sekwencji MIDI.

Autorem obydwu programów jest Ireneusz Kuczek, któremu dziękuję za podesłanie programów.

Powrot