Monitor SVGA do Atari ST(e)


Nie będę dużo gadał (pisał), bo tytuł tego artykułu mówi sam za siebie. Aby można podłączyć monitor SVGA to Atari ST(e) należy wykonać przejściówkę w taki sposób, jak to jest opisane w poniższym tekście.
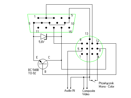
Autorem poniższego tekstu jest Marek P, który przerysował schemat z działającego (komercyjnego) egzemplarza.

Schemat, ktory tutaj był wcześniej jako pierwszy, był to przepisany opis z jakiegoś angielskiego tekstu i prawdopodobnie nie do końca działał, więc aby nie robić zamieszania został usunięty.
Na początek, żeby nie trzeba było szukać podaję opis wtyczek: VGA i
"monitorowej" Atari ST.
Wtyczka VGA jest "żeńska".(jest w niej 15 otworów )
Wtyczka Atari ST jest "męska" (jest w niej 13 "bolców")
Widok obu wtyczek na schemacie (Rys1.gif i Rys2.gif) jest 
_OD STRONY LUTOWAŃ_.

VGA
Pin     Name            Description
===================================
1       RED             Red Video               
2       GREEN           Green Video
3       BLUE            Blue Video
4       ID2             Monitor ID Bit 2
5       GND             Ground
6       RGND            Red Ground
7       GGND            Green Ground
8       BGND            Blue Ground
9       KEY             Key (No pin)
10      SGND            Sync Ground
11      ID0             Monitor ID Bit 0
12      ID or SDA       Monitor ID Bit 1
13      HSYNC or CSYNC  Horizontal Sync (or Composite Sync)
14      VSYNC           Vertical Sync
15      ID3 or SCL      Monitor ID Bit 3

Atari
Pin     Name            Description
===================================
1       AO              Audio Out
2       CVIDEO          Composite Video
3       CS              Clock Select
4       MD              Monochrome Detect/Clock In
5       AI              Audio In
6       G               Green
7       R               Red
8       +12V            +12V VDC (520ST has GND)
9       HSYNC           Horizontal Sync
10      B               Blue
11      MVIDEO          Monochrome Video
12      VSYNC           Vertical Sync
12      GND             Ground

Oryginalnie przejściówka (z Rys1) posiadała jeszcze wyjście Audio
(mono), wyprowadzone w postaci chinch z pin 1(AO) wtyczki Atari.
Osobiście z niego nie korzystałem, gdyż jak wiadomo seria STE ma
wyprowadzone wyjście Stereo osobno.

Ze swojej strony dołożyłem do tego schematu (od strony Atari) jeszcze
dwa "rozwišzania" (Rys2.gif).
1. Wyprowadziłem z pinu 5 (Audio In) do którego mogłem podłączyć
zewnętrzne źródło dźwięku (u mnie najczęściej było to małe radio). Bajer
polegał na tym, że było je słychać w głośnikach na wyjściu z Atari, a
głośnością można było sterować z Atarowskiego panelu.
2. Żeby nie przekładać wtyczek za każdym razem kiedy chciałem zmienić
monitor z mono na kolor, wyprowadziłem z pinu 2 (Composite Video), kabel
z wtyczką chinch i włączyłem go na stałe do monitora kolor. Rodzaj
monitora mogłem wybierać bez wyciągania wtyczki dzięki dołożeniu
wyłącznika zwierającego (lub rozwierającego) pin 4 (Monochrome detect)
do masy pin 13 (GND). Przy zwarciu następowało uruchomienie Atari w
trybie High.

Co ciekawe, dość często przełączałem się między monitorami przy
włączonym komputerze nie czyniąc mu żadnej szkody. Po zwarciu (lub
rozwarciu) przełącznika następował reset komputera i automatyczne
uruchomienie w wybranej rozdzielczości - naprawdę nie mam pojęcia "czy
tak ma być", czy po prostu miałem szczęście, że nie popsułem sobie tymi
resetami Atarynki. 
Druga sprawa. Po przełączeniu się na monitor mono, monitor kolorowy
ciągle dostaje sygnał video (Composite Video) - tyle, że sygnał jest
"poza zasięgiem" monitora RGB.
Wydaje mi się, że można by to wykorzystać przy podłączaniu monitora
Multi-Sync. Niestety, nigdy nie miałem takiego monitora, więc również
nie mogłem przeprowadzić stosownych doświadczeń.
Rys.1
Rys.1

Rys.2
Rys.2

Powrot