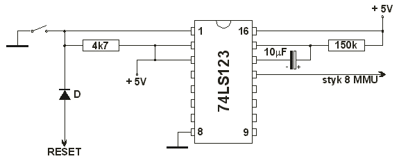
W artykule "Sprzętowy RESET"
autorstwa Marka Zachara z numeru 2 "Moje ATARI"
jest opisany sposób wykonania takowego układu do
komputerów ATARI 800 XL, 65XE, 130XE, 800XE.
Potrzebne
części:
- układ scalony 74LS123
- dioda BAP794 lub 1N4148
- rezystor 150k
- rezystor 4k7
- kondensator elektrolityczny 10 uF
- dowolny włącznik niestabilny.

Po zmontowaniu układu (jako, że układ jest banalnie
prosty nie podaje schematu płytki drukowanej - można tu
użyć np. płytki uniwersalnej) należy punkty oznaczone
jako + 5V dołączyć (oczywiście wewnątrz komputera)
np. do odpowiedniej nogi gniazda SIO lub joysticka.
Przyłączenie pozostałych punktów, tj. RESET i styk 8
MMU zależy od modelu komputera:
800 XL
- Punkt RESET
należy dołączyć do lewej końcówki rezystora R40.
Znajduje się on z prawej strony płyty komputera,
pomiędzy układami POKEY (U22) i PIA (U23).
- Drugi punkt - oznaczony jako "styk 8 MMU" -
przyłączamy do ósmego styku układu MMU.
MMU jest jedynym 20-sto stykowym układem scalonym i ma
oznaczenie U3.
65 XE, 130 XE
i 800 XE
- Punkt RESET
należy dołączyć do górnej końcówki rezystora R40.
Znajduje się on z prawej strony płyty komputera na lewo
od złącza klawiatury.
- Drugi punkt - oznaczony jako "styk 8 MMU" -
przyłączamy do ósmego styku układu MMU.
MMU jest jedynym 20-sto stykowym układem scalonym i ma
oznaczenie U3.
Marek Zachar
(Moje ATARI nr 2)
Materiał ten nadesłał i stronę wykonał IREK WÓJCIK
|