38400 bps dla ST/STE


Jak już pewnie się domyślacie, to co znajduje się poniżej jest krótkim opisem tego jak w prosty (chyba najprostszy) sposób przyśpieszyć złącze RS 232 w Atari ST/STE do prędkości 38400 bps. Autorem tego rozwiązania jest Jurgen Meyer i ma ono charakter freeware dla użytku domowego i publikacji prasowych. Wykorzystanie tego pomysłu w celach zarobkowych jest niedozwolone !!!

Modyfikacja ta była testowana na trzech różnych komputerach i nie stwiedzono błędnego działania, ale jak wiadomo odmian płyt montażowych, na których były montowane Atarynki było dużo, więc za "porażki" nie mogę odpowiadać. Nie odpowiadam także za uszkodzenia sprzętu, które wynikną w przypadku blędów w montażu itp.
Wszystko robisz na własną odpowiedzialność !!!

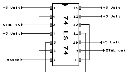
Cały schemat oparty jest na układzie TTL 74LS74 oraz przełączniku (to opcjonalnie). Jak wiadomo (lub może nie) każde ST lub STE maksymalnie na złączu serial może osiągnąć prędkość 19200 bps. To ograniczeni jest spowodowane częstotliwościa taktowania zegara 2.4576 MHz, którym jest taktowany układ MFP.
Cały układ robi: dostaje z głównego zegara 2.4576 MHz i dzieli go produkując 614.4 KHz. To wszystko można zrealizować przy pomocy układu 74LS74, który posiada dwa przełączniki typu D. Pierwszy z nich użyty jest do pobrania 1.2288 MHz, drugi natomiast pobiera 1.2288 MHz i wytwarza 614.4 KHz, które podamy na wejście RC/TC by uzyskać prędkość 38400 bps na złączu serial.

Schemat podłączenia
Schemat podłączenia


Robimy schemat, krok po kroku:
  1. Przygotowywujemy układ 74LS74 tak jak na rysunku;
  2. Ostrożnie odłączamy pin 16 układu MFP 68901 od płyty głównej;
  3. Podłączmy "XTAL in" do 18 nóżki układu MFP;
  4. Podłączamy "XTAL out" do 7 lub 10 nóżki ukłądu MFP.
Jeśli ktoś chce być tak ambitny jak ja, to może przygotować sobie wszystko na płytce obwodu drukowanego. Obraz płytki jest w formacie Scooter'a (sam routowałem). Ściągnij.
Jeśli nadal chcesz używać niższej prędkości to musisz zastosować przełącznik. Przy pracy z prędkością 19200 bps nóżki 7 i 10 MFP są podłączone z nóżką 16 MFP. Sądzę, że ta informacja Wam wystarczy do zamontowania przełącznika.

To jest tylko "wolne" tłumaczenie całego tekstu i może się nieznacznie różnić od oryginału.

Ja w swojej Atari Mega ST 4 jeszcze tego nie montowałem, ale mam zamiar to zrobić.

Pozdrawiam
Monsoft

Powrot