myide

(edited 01-09-2000)

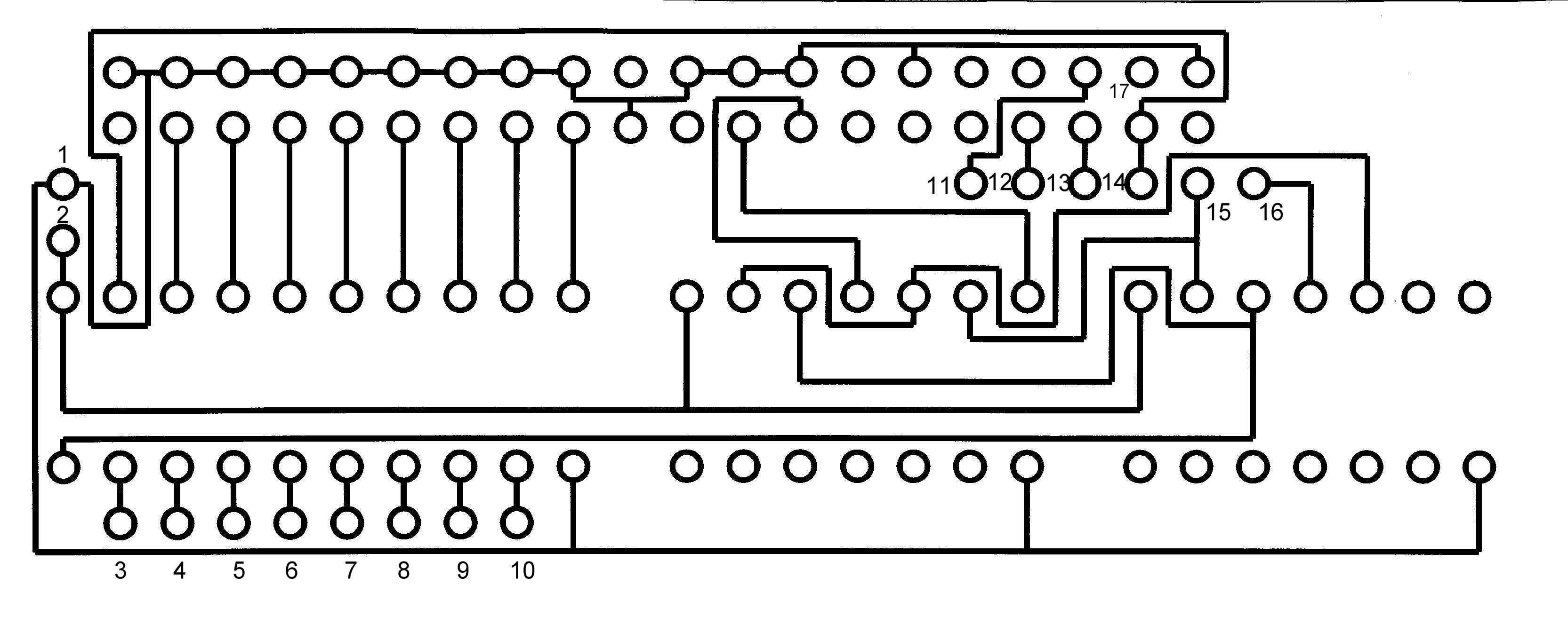
On this page you see the print-layout (component-side) to build your own MYIDE-interface. The print has 16 connections you have make inside your Atari XL/XE or onto a empty cartridge. Use Right-Click on the layout, save picture, print it out the way you want it, and start building!

Were to put the components (pin 1 is always bottem left):

Were to connect the 16 wires inside your ATARI XL/XE:
All wires except one are directly connected to the Atari 6502C-CPU. In a XL its ID is CO14806-03 placed in the bottom-middle. In a XE its ID is CO14806C-29 and found in the top-middle. One connection is made to the (only) 74LS138 found on the PCB. In the XL close under the cart-slot and in the XE left-above CO12294.

  1. pin 1

  2. pin 8

  3. pin 26

  4. pin 27

  5. pin 28

  6. pin 29

  7. pin 30

  8. pin 31

  9. pin 32

  10. pin 33

  11. pin 11

  12. pin 10

  13. pin 9

  14. to 74LS138 pin 14

  15. pin 36

  16. pin 39

Were to connect the 16 wires onto a empty cartridge:
(Read chapter 2a for the pin-out of a cartridge)

  1. B

  2. 13

  3. M

  4. 11

  5. 7

  6. 6

  7. L

  8. 8

  9. 9

  10. 10

  11. 3

  12. 4

  13. 5

  14. 15

  15. R

  16. S

Troubles building it? You can ALWAYS mail me for help. MYIDE@ATARI.MYWEB.NL