myatari.net[Banner]

Homepage


 

Issue 17: Mar 2002

 

Features

-

Foreword

-

ACE: World Exclusive

-

Have Atari users got a future?

-

I want my AEX!

-

Tip of the day

-

Get Calamus Fonts Without Selling the House

-

The Current State of the Desktop Publishing Art

-

Reader Profiles: Markus Binder

-

Atari GmbH

 

Review

-

Atari Emulation -
Part 2

 

News

Have Atari users got a future?

By Christoph Brincken

 

Or to be exact, will there be a future for an Atari clone which re-animates the Atari platform? Those who work with original Atari hardware are mainly musicians who enjoy the built-in MIDI interface which prevents timing problems which you get on other systems. The Falcon030 particularly is very famous because of its freely-programmable DSP chip, not only for musicians but in the demo-scene, too.

[Image: xTOS web logo]

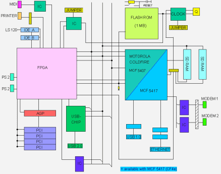
A computer which combines the special abilities of the Falcon with today's computing power (333 MHz Coldfire processor) would have a real chance on the market. This is exactly what the planned xTOS computer (which will ship with the Déesse DSP audio card) could become. www.xtos.de is worth a visit. They have initiated the Atari Software Foundation to get the sources of great old Atari software to develop again.

[Image: Proposed xTOS architecture]
In my opinion the main point should be to reintroduce this "Atari" to the market as a music studio machine. If this succeeds, other applications like a reliable web browser and new software will apear as well. If it is successful in the studios it will find its way to the Atari enthusiasts as well and with them new software will apear.

[Image: MyAtari 10 cover - DSP Mega Power!]But it is a danger to try to build "everybody's darling". Of course with that speed, being optimized with NVDI and MagiC it will perform hellishly fast, but many people who have a computer won't change to an exotic computer system - unless they have a problem only this system can solve.

If this new "piece of studio equipment" will do it, it would even be possible to translate software written with Code Warrior to the Atari platform. So to all "retro" folks - be ready to be surprised, we are not looking back, but forward!
 

Useful links

 

[ Top of page ]


MyAtari magazine - Feature #3, March 2002

 

Copyright 2002 MyAtari magazine