Atari
XL PC bridge
By Roland
Scholz
After a short
period of doing nothing for our beloved
Atari 8-bit, I am back with details of the
PC bridge interface project. This interface
allows you to connect several old-style
ISA cards to your Atari. Up to now I have
successfully tried cards that provide Hercules
graphics, RS232 serial communication up
to 38,400 baud and Centronics printer interfaces
in standard (unidirectional) mode. But this
is not the limit, I consider all the other
cards: Adlib sound, other graphics, Ethernet
and so on.

|
Figure 1: Pin assignment
of the PC(XT) bus. |
In to order
to keep the interface compatible with the
Atari and its operating system, I developed
the interface as a full-function PBI device.
The design of PBI devices has already been
described in three former MyAtari articles
(issues 7, 9 and 10). In order to give a
first impression of the PC bridge design,
I’ll introduce the 62-pin PC bus socket
and tell you more about the function of
the pins used by the PC bridge. If you consider
figure 1, you will note the PC socket has
signals for 8 data lines (D0-D7) and 20
address lines (A0-A19). With 20 address
lines you can address a space of 2^20 =
1Mbyte memory cells. In a standard PC this
space is divided into two sections. The
first one forms a memory block of 640 Kbyte
and the second 384 Kbyte are reserved for
memory (either RAM or ROM) located on adaptor
cards.
The next
quite important signals are the four control
lines IOR\, IOW\, MEMR\ and MEMW\ that control
access to the I/O address space spanned
by 16 address lines and to the 1Mbyte memory
address space. Unlike the 6502 processor,
the Intel 80x86 architecture does
not map registers of I/O chips into the
memory address space, but a second I/O space
is used. Thus, the MEMR\ and MEMW\ active-low
signals denote a read or write access to
main memory, respectively; whereas the IOR\
and IOW\ signals denote the same for the
I/O address space.
The next
few lines to consider are the interrupt
lines IRQ2-IRQ7, that show a pending interrupt
request by pulling the specific line to
a logical 1. The interrupts are also prioritised
such that IRQ2 has the highest priority
and IRQ7 the lowest. If a logical 1 is applied
to the line RESTDRV all plugged-in cards
will be reset. The last important signal
is IOCHRDY, which shows whether the active
card needs another clock cycle to finish
the active access. This is called a wait-state
and is used to connect slow cards to faster
processors. Indeed this a problem for us,
since the Atari manages a memory access
in just one clock cycle, so one acccess
takes approximately 1/1.77 Mhz = 0.565 microseconds.
It is a fact that older PC cards are so
slow, they only work with frequencies at
or below 1 Mhz or they use a wait-state
to refresh their on-board RAM (like Hercules
cards do). For this reason our PC bridge
has to cope with these wait-states making
the design somewhat more complicated. One
drawback is, for instance, we have to use
the processor signal SYNC that cannot be
obtained from the parallel bus, but has
to be taken from the CPU directly.
Now
please consider figure 2 below, a block
schematic of the PC bridge with its essential
components. From this figure we will go
into detail if required. The interface consists
of several 8-bit latches, which store the
address information on the PC side, an 8-bit
bi-directional tri-state register and line
buffer, a single 8KB EPROM and a 8KB static
RAM (of which we will only use 1KB). The
other elements act as decoders to form select
and data-strobe signals. GAL (Generic Array
Logic) chips are used to quickly form the
desired operations. The main design implements
a PBI device that maps its driver ROM into
the 2KB area that is usually occupied by
the Math-ROM from $D800 to $DFFF. This area
is then divided into four sections. The
section from $D800 - $DBFF (1KB) belongs
to the driver EPROM that contains the driver
firmware. Obviously 1KB would be too small
for all the drivers, so we can map eight
1KB pages of the EPROM into this area (the
EPROM has 8KB arranged into eight 1KB pages
and only one of these can be accessed at
a time). We have four spare bits on one
register from which we use three bits to
map to pages using the EPROM’s address lines
(A10-A12). When programming drivers we have
to keep track of the pages we are in. This
certainly diminishes the performance of
the PC bridge a little bit, but this is
better than expanding the design any further.
The fourth free bit we connect to the address
line A9 of the RAM giving us two pages of
512 bytes at the location from $DC00 - $DDFF.
Table 1 again lists the used areas. Now
you might ask how we are able to address
the 1MB memory space and the 64KB
I/O space with only two 256-byte pages.
This is simple, we just write the missing
12 or 8 most signifiant address bits to
the registers. Again, we lose some performance,
but most of the time we do not have to reset
those bits. All in all we get a quite acceptable
performace without having to build overly
complex hardware.
At this point
we go into detail and take a closer look
at the interrupt circuit. We certainly need
interrupts, since without them, we would
not be able to build, for example, a reasonable
RS232 interface. Especially here it is important
to quickly get the data out of the chip
and written to a buffer. If this is not
done in time the data get overwritten by
the next incoming data and we and up with
corrupted data. Since the Atari only has
two interrupt lines (NMI and IRQ) of which
just IRQ is connected to the parallel bus,
we have to wire the six IRQ signals from
the PC bus using diodes to a 74LS74 flip-flop.
It stores the interrupt information during
the leading edge of a IRQ2-7 signal (figure
3, top-left). The inverting output is used
to connect the signal to Atari’s IRQ\ line.
An LED also shows the state of the interrupt
latch. The latch is reset by a reading access
to ISAMEM or ISAIO. To accomplish this,
the signals IOR\ and MEMR\ are combined
using two diodes and a resistor. I figured
out that sometimes the output level is not
suitable to drive the latch’s CLR\ input
low, so I amplified the signal by two free
inverters. This is not (yet) shown in the
schematic and may not be necessary if only
74HCTxxx TTL chips are used (I took a 74LS74
for convenience). In order to conform to
the PBI specification we must ensure that
the PBI device causing the interrupt drives
low its corresponding bit in the NEWPORT
register. To do this, we connect the latch’s
output Q to GAL2, which takes care of this.
Address |
Assignment |
$D800
- $DBFF |
ROM 8
x 1 KB |
$DC00
- $DDFF |
RAM 2
x 512 Bytes |
$DE00
- $DEFF |
I/O address
space PC |
$DF00
- $DFFF |
Memory
address space PC |
PBI register |
Assignment |
NEWPORT
$D1FF |
Turn
on/off PBI device, IRQ triggered? |
ISAHI
$D1FE, IC3 – 74HCT573 |
Bit 0-3:
address signals PC bus A16-A19
Bit
4-6: PBI ROM Page0 – Page7
Bit
7: PBI RAM Page0 / Page1 |
ISALO
$D1FD, IC2 – 74HCT573 |
Bit 0-7:
address signals PC bus A8-A15 |
ISADATA
$D1FC, IC4 – 74HCT651 |
Bit 0-7:
PC data bus read D0-D7 |

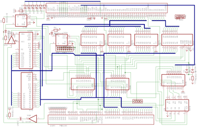
|
Figure
3: Schematic of the PC bridge
interface. At the top-left are
the diodes and the latch that
stores incoming interrupt information.
Below are the RAM and ROM that
contain driver software and
local variables. The 2 x 8 jack
in the middle is the latch to
switch the PC bridge on and
off. To the right are the latches
that store address and data
bus information.
[Click to enlarge] |
The last
thing I want to explain in detail is the
management of wait-states, which has taken
most of the development time (not mentioning
the programming of driver software which
is still not finished) and technically interesting.
Due to the reasons mentioned above we cannot
access the PC bridge synchronously. We have
to implement some intelligence enabling
the interface to handle read or write accesses
independently from the Atari. First we take
a look at the easier write access. If the
Atari wants to write to a PC card, all required
information is put to the address and data
bus and the R/W\ signal drives low level.
If this is the case, the PC bridge stores
the lower eight address bits in the leftmost
latch and the data bus is stored in the
8-bit bidirectional register (74HCT651).
Next the MEMW\ or IOW\ signal is driven
low for one clock cycle, unless the card
signals a wait-state condition using the
IOCHRDY line. If the wait-state is signalled,
the write signal is held low for as many
clock cycles as the the IOCHRDY is active.
Since, as a rule of thumb, the PC card accepted
the data in 1 up to 3 cycles, the time to
get the data into the card does not conflict
with following accesses.
Now we consider
a read access to a PC card. Here again the
lower eight address bits are stored in the
leftmost register. This time the R/W\ signal
drives high level which causes IOR\ or MEMR\
to go low. This again is done for one clock
cycle, unless the PC card signals with the
IOCHRDY line that it needs the signal somewhat
longer. If eventually the read access has
been finished, the data read are stored
in the bidirectional latch 74HCT651. A read
command like LDA $DE00 does not yield to
valid data transferred into the accumulator,
but the data are only stored in the latch.
For this reason I implemented a read access
to the latch at address $D1FC that still
belongs to the PBI config register space.
Thus, a full reading access to a PC card
looks like this:
LDA
$DE00
(ISAIO) LDA $D1FC
(ISADATA)
Now we come
to talk about the somewhat disturbing fact
that it's neccessary to use the SYNC signal
that is not connected to the parallel bus.
Assume we issue a LDA $DE00,X command: This
statement takes 4-5 clock cycles, one for
loading the opcode, two to load the address
($00, $DE), one to add the X-register to
get the effective address and one cycle
(only if a page-boundary is crossed) to
read data at the effective address. It is
a feature (or a bug?) of the 6502 processor
to put the absolute address (without the
X-register added) on the address bus during
the third cycle. The PC bridge now thinks
it has been addressed and the above described
process takes place. At the next cycle the
processor has added the X-register and again
put the address on the address bus. But
since the PC bridge has been triggered before,
it cannot cope with this request and will
yield incorrect data. Unfortunately, programming
storage-intensive applications cannot reasonably
be done without indexing capabilities, so
we have to find a way out of the maze. The
way we look is to use the SYNC signal which
tells us wether the active cycle is an opcode
fetch. So the interface has a way to determne
if the last statement has come to an end
and can start processing the request. If
you have any idea how this could be done
in a better or simpler way, please give
me a hint, for I really do not want to use
signals that are not connected to the parallel
bus.
The rest
of the circuit is just some stuff you will
get to know if you analyse the schematic
a little it closer. I recommend reading
the GAL programms thoroughly and please
take care of GAL3 that handles the wait-states
and SYNC signal unsing a state-machine.
The last figure shows the complete schematic.
I would be
glad if this article has been interesting
to you, and want to encourage you to take
part in this project to push it forward.
If you want to peek into the stuff, please
take a look at my web page for this project
where you can find all articles, schematics
and so on.
At this time
there are drivers for Hercules graphic cards,
up to four RS232 serial interfaces and up
to three parallel interfaces. Only a configuration
tool has to be finished to get a working
device and there are still a lot of cards
left that want to be used with an Atari
computer. |
Appendix
Programs
for GAL1, GAL2 and GAL3 (all type 16V8).
GAL16V8
Gal1 PcBridge
V2.0
D BUSIO
RW PHI2 A11 A10
A9 A8 A1 GND
A0 R0W
R1W R2W R3R ROM
RAM ISA R0R VCC
/R0W
= D *
/A11 * /A10 * /A9
* A8 *
A1 *
A0 * PHI2
* /RW R0R
= D *
/A11 * /A10 * /A9
* A8 *
A1 *
A0 * PHI2
*
RW
R1W
= D *
/A11 * /A10 * /A9
* A8 *
A1 * /A0
* PHI2 * /RW * BUSIO
R2W
= D *
/A11 * /A10 * /A9
* A8 * /A1 *
A0 * PHI2
* /RW * BUSIO
/R3R
= D *
/A11 * /A10 * /A9
* A8 * /A1 * /A0
* PHI2 *
RW * BUSIO
/ROM
= D *
A11 * /A10 * PHI2
* BUSIO /RAM
= D *
A11 * A10 * /A9
* PHI2 * BUSIO
/ISA
= D *
A11 * A10 *
A9 * PHI2
* BUSIO
DESCRIPTION
/R0W
: CLK
signal for the NEWPORT
latch at $D1xF (write
access) R1W
: CLK
signal for the ISAHI
latch at $D1xE
R2W
: CLK-Signal
for the ISALO latch
at $D1xD /R3R
: Strobe
signal to read from
ISADATA at $D1xC
/ROM
: OE signal
for the ROM at $D800-$DBFF
/RAM
: OE signal
for the RAM at $DC00-$DDFF
/ISA
: Signal
that indicates access
at $DE00-$DFFF
R0R
: Signal
to read from NEWPORT
latch at $D1xF |
|
Module
gal2;
gal2 Device
'p16v8';
Declarations
"
Inputs A15, A14,
A13, A12, A11, RESET,
BUSIO, PCIRQ Pin
1, 2, 3, 4, 5, 6,
7, 8; R0R, WRITE,
ISA
Pin 9,
11, 15;
"
Outputs MPD, D,
RESETDRV, D0_7,
WRITE1, ISA_INV
Pin 12,
13, 14, 16, 17,
19;
Equations
!MPD
= A15
& A14 &
!A13 & A12 &
A11 & BUSIO;
D
= A15
& A14 &
!A13 & A12;
RESETDRV
= !RESET; ISA_INV
= !ISA;
WRITE1
= WRITE;
D0_7
= PCIRQ;
D0_7.OE
= R0R;
End |
|
Module
gal3
gal3 Device
'p16v8';
Declarations
q0, q1
Pin 12,
13 Istype 'reg';
clr, write,
ior, iow, memr,
memw
Pin 14,
15, 16, 17, 18,
19; isa, a8,
rdy, rw, sync
Pin 2,
3, 4, 5, 6;
State_Diagram
[q0, q1] state
0:
clr
= 1;
write
= 0;
memr
= 1;
memw
= 1;
ior
= 1;
iow
= 1;
if (isa
& sync) then
1
else 0;
state
1:
clr =
1;
write
= !rw;
!memr
= rw & a8;
!memw
= !rw & a8;
!ior
= rw &
!a8;
!iow
= !rw
& !a8;
if (!rdy)
then 1
else 2;
state
2:
write
= 0;
clr =
0;
memr =
1;
memw =
1;
ior =
1;
iow =
1;
goto 0;
state
3:
goto 0;
End |
|
|